উচ্চ নির্ভুলতা ক্লাস 0.5 - মিটারিং এবং পর্যবেক্ষণ অ্যাপ্লিকেশনগুলির জন্য যথাযথ বর্তমান পরিমাপ সরবরাহ করে।
প্রশস্ত পরিমাপের পরিসীমা - বিভিন্ন লোড শর্তাদি সমন্বিত করতে একাধিক বর্তমান অনুপাতকে সমর্থন করে।
কমপ্যাক্ট এবং লাইটওয়েট ডিজাইন - পারফরম্যান্স ছাড়াই টাইট স্পেসে ইনস্টল করা সহজ।
দুর্দান্ত তাপীয় স্থায়িত্ব - ওঠানামা করা তাপমাত্রার অধীনে এমনকি স্থিতিশীল অপারেশন নিশ্চিত করে।
শক্তিশালী নিরোধক এবং সুরক্ষা - বৈদ্যুতিক ত্রুটিগুলির বিরুদ্ধে নির্ভরযোগ্য সুরক্ষা সরবরাহ করে শিল্প সুরক্ষা মান মেনে চলে।
বহুমুখী অ্যাপ্লিকেশন - পাওয়ার ডিস্ট্রিবিউশন প্যানেল, শিল্প অটোমেশন এবং পুনর্নবীকরণযোগ্য শক্তি সিস্টেমে ব্যবহারের জন্য আদর্শ।
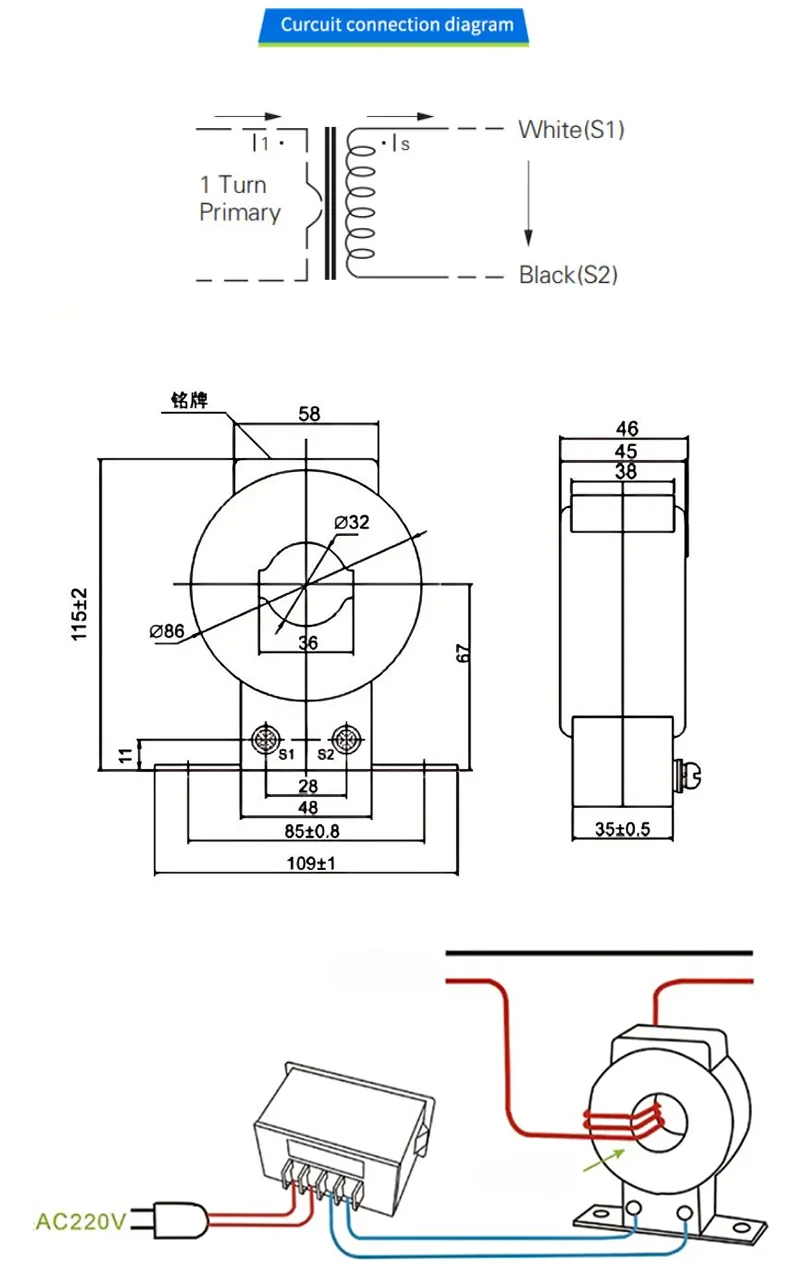
রেটেড প্রাথমিক কারেন্ট: কাস্টমাইজযোগ্য (উদাঃ, 5 এ ~ 2000 এ)
রেটেড গৌণ কারেন্ট: 5 এ বা 1 এ (স্ট্যান্ডার্ড)
নির্ভুলতা শ্রেণি: 0.5
ফ্রিকোয়েন্সি: 50Hz/60Hz
নিরোধক স্তর: 3 কেভি পর্যন্ত
অপারেটিং তাপমাত্রা: -25 ° C থেকে +70 ° C
বিদ্যুৎ মিটারিং এবং শক্তি পর্যবেক্ষণ
সুরক্ষা রিলে এবং সার্কিট ব্রেকার
শিল্প ও বাণিজ্যিক বৈদ্যুতিক সিস্টেম
সৌর ও বায়ু শক্তি ইনস্টলেশন

ঠিকানা
জিয়ানগিয়াং শিল্প অঞ্চল, ইউউকিং, ঝেজিয়াং, চীন
টেলিফোন
ই-মেইল